連接件模型
Connector Model
Connector Model
聯系APAS / Contact us
- 地址:天津市西青經濟技術開發區賽達國際工業城A3-2.
- 郵箱:lxc@apas.com.cn
- 電話:022-87920088
- 傳真:請聯系網絡管理員
- 郵編:300385
- 咨詢熱線:13702119190(24小時服務熱線)
連接件模型
/ Connector Model

30系列鋁型材T型螺栓3d模型
產品描述 / Name
3030規格鋁型材T型螺栓是組裝框架結構常用的緊固件之一,常與型材角件及法蘭螺母配合使用,可以下載T型螺栓SLDWORKS三維模型進行框架結構設計組裝;
022-87920099
可以根據需求進行設計加工,提供上門安裝服務;可以根據特殊需求進行鋁型材開模定制。
* 免費提供工業鋁型材選型手冊 →點擊咨詢
內容來源:http://m.arc-wenwu.com.cn 作者:武將 發布日期:2020年04月02日 12時59分 閱讀次數:2933 次
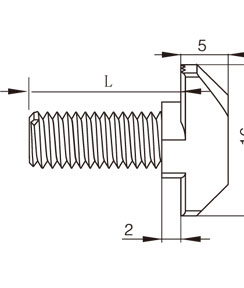
| 30系列鋁型材T型螺栓屬于30系列槽8規格型材專用緊固連接配件之一,T型螺栓可以直接放入型材槽內,安裝過程中它可以自動定位鎖緊,經常與法蘭螺母配合使用,是安裝鋁型材角件的好幫手; |
![]() ![]()
|
| 30系列鋁型材T型螺栓具有三種規格,分為M6×16、M6×25和M8×16三種規格,主要適用于不同的連接需求,以及搭配不同規格緊固螺母配合使用;T型螺母表面經過鍍鋅或鍍鎳處理,增強了螺栓的抗氧化耐腐蝕能力; |
|
槽型規格
|
L
|
螺紋
|
材質
|
訂貨編號
|
|
槽8
|
16
|
M6
|
碳鋼(鍍鋅或鍍鎳)
|
CE-TB6×16-30
|
|
槽8
|
25
|
M6
|
碳鋼(鍍鋅或鍍鎳)
|
CE-TB6×25-30
|
|
槽8
|
16
|
M8
|
碳鋼(鍍鋅或鍍鎳)
|
CE-TB8×16-30
|
聯系APAS/ Contact us
天津艾普斯工業鋁型材股份有限公司
聯系電話:022-87920088
企業傳真:(避免惡意廣告)請聯系該企業網絡管理員
服務熱線:13702119190 (24小時服務熱線)
Q Q:534973906
企業郵箱: lxc@apas.com.cn
企業地址:天津市西青經濟技術開發區賽達國際工業城A3-2
聯系電話:022-87920088
企業傳真:(避免惡意廣告)請聯系該企業網絡管理員
服務熱線:13702119190 (24小時服務熱線)
Q Q:534973906
企業郵箱: lxc@apas.com.cn
企業地址:天津市西青經濟技術開發區賽達國際工業城A3-2
采購意向留言:* 為必填















QQ咨詢
電話聯系
聯系電話

在線留言
樣冊下載
